Questo prodotto non può essere aggiunto al carrello perché non siete registrati.
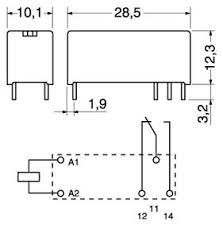
RELE 24V 1 scambio RY211024 basso profilo